Najnovšie pribudlo na serveri mikroZONE
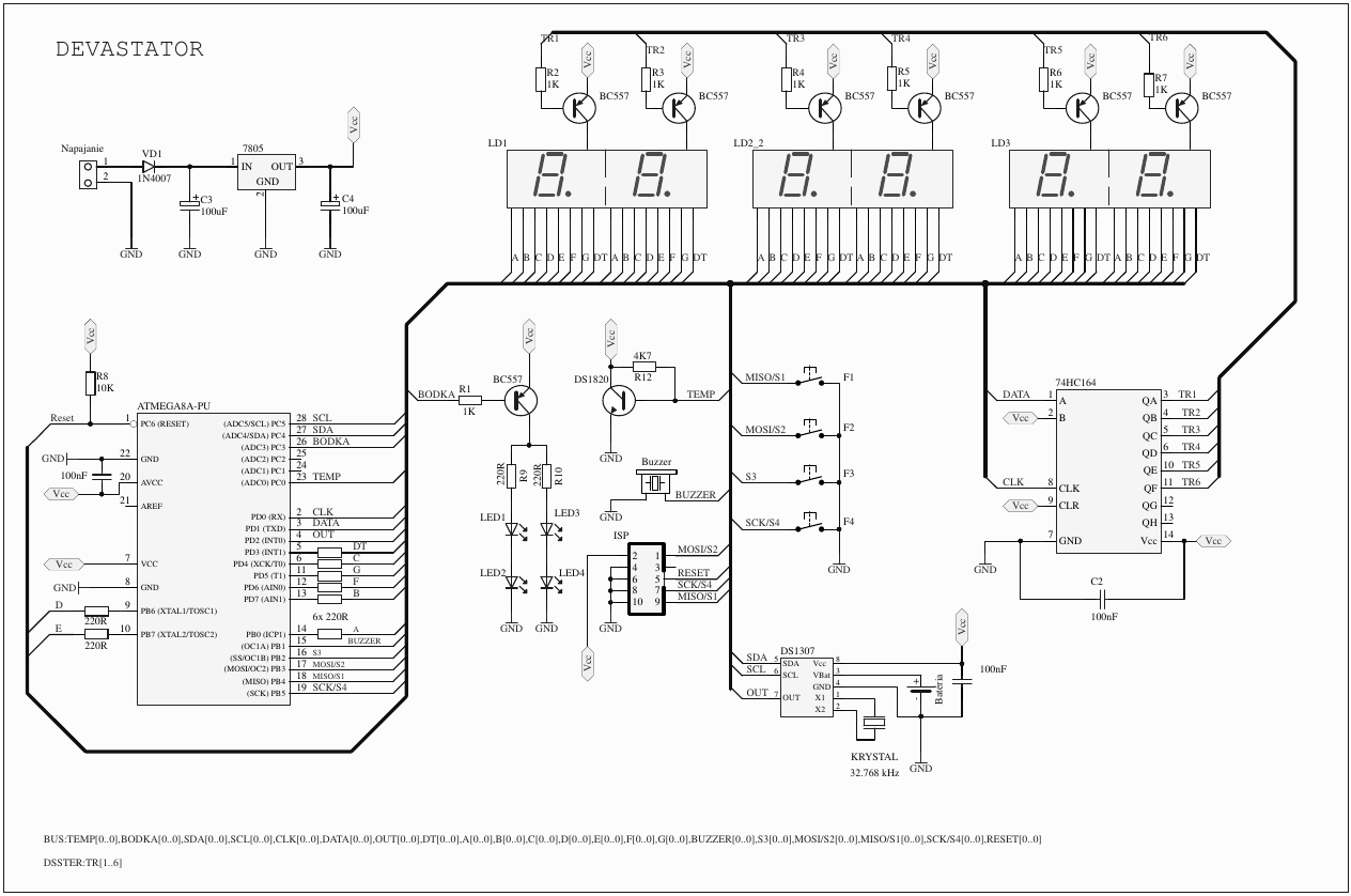
Bombové hodiny
Komentáre

Musíte byť prihlásený, aby ste mohli zasielať komentáre - prosím prihláste sa, alebo kliknite tu pre registráciu

Stránky generuje redakčný systém e107, a údaje do neho nahadzujú EdizonTN a redaktori.
Všetky zverejnené informácie si výhradne po dohode s administrátorom, dajte kam chcete....
Príspevky v diskusnom fóre a komentároch, vyjadrujú názory čitateľov. Redakcia serveru nenesie zodpovednosť za ich obsah. Vyhradzuje si však právo ich odstraňovať. (c) 2009-2022
Sledujte nás cez RSS, BlueSky, X, Facebook, MeWe, Mastodon, Telegram, Discord, reddit, Git-Hub alebo na YouTube .
Verzia pre mobily